石油化工企业设计防火标准
编号:GB50160-2008(2018年版)
颁布时间:2008/12/30
是否常用:是
是否有效:现行有效
分类:特殊场所建筑防火
5.2
装置内布置
5.2.2
为防止结焦、堵塞,控制温降、压降,避免发生副反应等有工艺要求的相关设备,可靠近布置。
5.2.3
分馏塔顶冷凝器、塔底重沸器与分馏塔,压缩机的分液罐、缓冲罐、中间冷却器等与压缩机,以及其他与主体设备密切相关的设备,可直接连接或靠近布置。
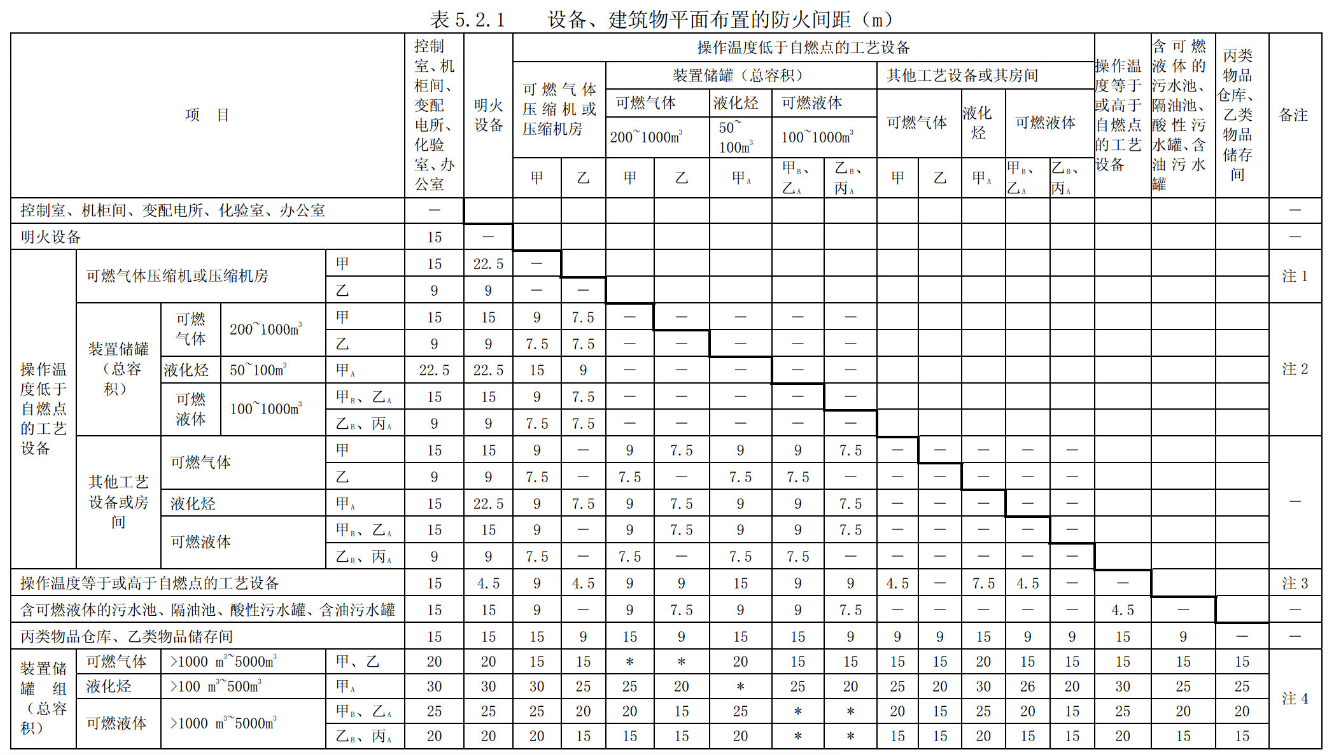
表5.2.1
设备、建筑物平面布置的防火间距(m)

注:1.
单机驱动功率小于150KW的可燃气体压缩机,可按操作温度低于自燃点的“其他工艺设备”确定其防火间距;
2.
装置储罐(组)的总容积应符合本规范第5.2.23条的规定。当装置储罐的总容积:液化烃储罐小于50m³、可燃液体储罐小于100m³、可燃气体储罐小于200m³时,可按操作温度低于自燃点的“其他工艺设备”确定其防火间距;
3. 查不到自燃点时,可取250℃;
4. 装置储罐组的防火设计应符合本规范第6章的有关规定;
5.
丙B类液体设备的防火间距不限;
6. 散发火花地点与其他设备防火间距同明火设备;
7. 表中“一”表示无防火间距要求或执行相关规范,“*”表示装置储罐集中成组布置。
5.2.4
明火加热炉附属的燃料气分液罐、燃料气加热器等与炉体的防火间距不应小于6m。
5.2.5
以甲B、乙A类液体为溶剂的溶液法聚合液所用的总容积大于800m³的掺合储罐与相邻的设备、建筑物的防火间距不宜小于7.5m;总容积小于或等于800m³时,其防火间距不限。
5.2.6
可燃气体、液化烃和可燃液体的在线分析仪表间与工艺设备的防火间距不限。
5.2.7
布置在爆炸危险区的在线分析仪表间内设备为非防爆型时,在线分析仪表间应正压通风。
5.2.8 设备宜露天或半露天布置,并宜缩小爆炸危险区域的范围。爆炸危险区域的范围应按现行国家标准《爆炸危险环境电力装置设计规范》GB50058的规定执行。受工艺特点或自然条件限制的设备可布置在建筑物内。
5.2.9
联合装置视同一个装置,其设备、建筑物的防火间距应按相邻设备、建筑物的防火间距确定,其防火间距应符合表5.2.1的规定。
5.2.10 装置内消防道路的设置应符合下列规定:
1
装置内应设贯通式道路,道路应有不少于两个出入口,且两个出入口宜位于不同方位。当装置外两侧消防道路间距不大于120m时,装置内可不设贯通式道路;
2
道路的路面宽度不应小于6m,路面上的净空高度不应小于4.5m;路面内缘转弯半径不宜小于6m。
5.2.10A
应在乙烯裂解炉及高度超过24m且长度超过50m的可燃气体、液化烃和可燃液体设备的构架附近适当位置设置不小于15mX10m(含道路)的消防扑救场地。
5.2.11 在甲、乙类装置内部的设备、建筑物区的设置应符合下列规定:
1.应用道路将装置分割成为占地面积不大于10000m²的设备、建筑物区;
2.当大型石油化工装置的设备、建筑物区占地面积大于10000m²小于20000m²时,在设备、建筑物区四周应设环形道路,道路路面宽度不应小于6m,设备、建筑物区的宽度不应大于120m,相邻两设备、建筑物区的防火间距不应小于15m,并应加强安全措施。

注:1.单机驱动功率小于150kW的可燃气体压缩机,可按操作温度低于自燃点的“其他工艺设备”确定其防火间距;
2.装置储罐(组)的总容积应符合本规范第5.2.23条的规定。当装置储罐的总容积:液化烃储罐小于50m³、可燃液体储罐小于100
m³、可燃气体储罐小于200m³时,可按操作温度低于自燃点的“其他工艺设备”确定其防火间距;
3.查不到自燃点时,可取250℃;
4.装置储罐组的防火设计应符合本规范第6章的有关规定;
5.丙B类液体设备的防火间距不限;
6.散发火花地点与其他设备防火间距同明火设备;
7.表中“—”表示无防火间距要求或执行相关规范,“*”装置储罐集中成组布置。
5.2.11A:当一套联合装置的占地大于80000m²时,应用装置内道路分隔,分隔的每一区块面积不应大于80000m²,相邻两区块的设备、建筑物之间的防火间距不应小于25m。分隔道路应与周边道路连通形成环形道路,分隔道路路面宽度不应小于7m。
5.2.12
设备、建筑物、构筑物宜布置在同一地平面上;当受地形限制采取阶梯式布置时,应将控制室、机柜间、变配电所、化验室等布置在较高的阶梯上;工艺设备、装置储罐等宜布置在较低的阶梯上。
5.2.13
明火加热炉,宜集中布置在装置的边缘,且宜位于可燃气体、液化烃和甲B、乙A类设备的全年最小频率风向的下风侧。
5.2.14
当在明火加热炉与露天布置的液化烃设备或甲类气体压缩机之间设置不燃烧材料实体墙时,其防火间距可小于表5.2.1的规定,但不得小于15m。实体墙的高度不宜小于3m,距加热炉不宜大于5m,实体墙的长度应满足由露天布置的液化烃设备或甲类气体压缩机经实体墙至加热炉的折线距离不小于22.5m。
当封闭式液化烃设备的厂房或甲类气体压缩机房面向明火加热炉一面为无门窗洞口的不燃烧材料实体墙时,加热炉与厂房的防火间距可小于表5.2.1的规定,但不得小于15m。
5.2.15
当同一建筑物内分隔为不同火灾危险性类别的房间时,中间隔墙应为防火墙。人员集中的房间应布置在火灾危险性较小的建筑物一端。
5.2.16
装置的控制室、机柜间、变配电所、化验室、办公室等不得与设有甲、乙A类设备的房间布置在同一建筑物内。装置的控制室与其他建筑物合建时,应设置独立的防火分区。
5.2.17
装置的控制室、化验室、办公室等宜布置在装置外,并宜全厂性或区域性统一设置。
当装置的控制室、机柜间、变配电所、化验室、办公室等布置在装置内时,应布置在装置的一侧,位于爆炸危险区范围以外,并宜位于可燃气体、液化烃和甲B、乙A类设备全年最小频率风向的下风侧。
5.2.18
布置在装置内的控制室、机柜间、变配电所、化验室、办公室等的布置应符合下列规定:
1.控制室宜设在建筑物的底层;
2.平面布置位于附加2区的办公室、化验室室内地面及控制室、机柜间、变配电所的设备层地面应高于室外地面,且高差不应小于0.6m;
3.控制室、机柜间面向有火灾危险性设备侧的外墙应为无门窗洞口、耐火极限不低于3h的不燃烧材料实体墙;
4.化验室、办公室等面向有火灾危险性设备侧的外墙宜为无门窗洞口不燃烧材料实体墙。当确需设置门窗时,应采用防火门窗;
5.控制室或化验室的室内不得安装可燃气体、液化烃和可燃液体的在线分析仪器。
5.2.19
高压和超高压的压力设备宜布置在装置的一端或一侧;有爆炸危险的超高压反应设备宜布置在防爆构筑物内。
5.2.20 装置的可燃气体、液化烃和可燃液体设备采用多层构架布置时,除工艺要求外,其构架不宜超过四层。
介质操作温度等于或高于自燃点的设备上方,不宜布置操作温度低于自燃点的甲、乙、丙类可燃液体设备;若在其上方布置,应用不燃烧材料的封闭式楼板隔离保护,且封闭式楼板应为无泄漏楼板。
5.2.21 空气冷却器不宜布置在操作温度等于或高于自燃点的可燃液体设备上方;若布置在其上方,应用不燃烧材料的封闭式楼板隔离保护。
5.2.22 装置储罐(组)的布置应符合下列规定:
1.当装置储罐总容积:液化烃罐小于或等于100m³、可燃气体或可燃液体罐小于或等于1000m³时,可布置在装置内,装置储罐与设备、建筑物的防火间距不应小于表5.2.1的规定。
2.当装置储罐组总容积:液化烃罐大于100m³小于或等于500m³、可燃液体罐或可燃气体罐大于1000m³小于或等于5000m³时,应成组集中布置在装置边缘;但液化烃单罐容积不应大于300m³,可燃液体单罐容积不应大于3000m³。装置储罐组的防火设计应符合本规范第6章的有关规定,与储罐相关的机泵应布置在防火堤外。装置储罐组与装置内其他设备、建筑物的防火间距不应小于表5.2.1的规定。
5.2.23
甲、乙类物品仓库不应布置在装置内。若工艺需要,储量不大于5t的乙类物品储存间和丙类物品仓库可布置在装置内,并位于装置边缘。丙类物品仓库的总储量应符合本规范第6章的有关规定。
5.2.24
可燃气体和助燃气体的钢瓶(含实瓶和空瓶),应分别存放在位于装置边缘的敞棚内。可燃气体的钢瓶距明火或操作温度等于或高于自燃点的设备防火间距不应小于15m。分析专用的钢瓶储存间可靠近分析室布置,钢瓶储存间的建筑设计应满足泄压要求。
5.2.25
建筑物的安全疏散门应向外开启。甲、乙、丙类房间的安全疏散门不应少于2个;面积小于等于100m²的房间可只设1个。
5.2.26 设备的构架或平台的安全疏散通道应符合下列规定:
1 可燃气体、液化烃和可燃液体设备的联合平台或设备的构架平台应设置不少于2个通往地面的梯子,作为安全疏散通道。下列情况可设1个通往地面的梯子:
1)甲类气体和甲、乙A类液体设备构架平台的长度小于或等于8m;
2)乙类气体和乙B、丙类液体设备构架平台的长度小于或等于15m;
3)甲类气体和甲、乙A类液体设备联合平台的长度小于或等于15m;
4)乙类气体和乙B、丙类液体设备联合平台的长度小于或等于25m。
2
相邻的构架、平台宜用走桥连通,与相邻平台连通的走桥可作为一个安全疏散通道;
3 相邻安全疏散通道之间的距离不应大于50m。
5.2.27
装置内地坪竖向和排污系统的设计应减少可能泄漏的可燃液体在工艺设备附近的滞留时间和扩散范围。火灾事故状态下,受污染的消防水应有效收集和排放。
5.2.28
凡在开停工、检修过程中,可能有可燃液体泄漏、漫流的设备区周围应设置不低于150mm的围堰和导液设施。
条文说明
5.2 装置内布置
5.2.1 确定本规范表5.2.1的项目和防火间距的主要原则和依据如下:
1
与本规范第3章“火灾危险性分类”相协调。
2 与现行国家标准《爆炸和火灾危险环境电力装置设计规范》GB
50058的下列规定相协调:
1)释放源,即可能释放出形成爆炸性混合物的物质所在的位置或地点;
2)爆炸危险场所范围为15m。
3
吸取国外有关标准的适用部分。本规范表5.2.1的项目和防火间距,与大部分国外工程公司的有关防火和装置平面布置规定基本一致。
4
充分考虑装置内火灾的影响距离和可燃气体的扩散范围(可能形成爆炸性气体混
合物的范围)。
1)装置内火灾的影响距离约10m。
2)可燃气体的扩散范围:
(1)正常操作时,甲、乙A类工艺设备周围3m左右;
(2)液化烃泄漏后,可燃气体的扩散范围一般为10~30m;
(3)甲B、乙A类液体泄漏后,可燃气体的扩散范围为10~15m;
(4)操作温度等于或高于其闪点的乙B、丙类液体泄漏后,可燃气体的扩散范围一般不超过10m;
(5)氢气的水平扩散距离一般不超过4.5m。
3)《英国石油工业防火规范的报告》:汽油风洞试验,油气向下风侧的扩散距离为12m。
5 确定项目的依据:
1)点火源。点火源主要有明火、赤热表面、电气火花、静电火花、冲击和摩擦、化学反应及发热自燃等。根据石油化工企业工艺装置的实际情况,在确定规范表5.2.1的项目时,主要考虑明火、赤热表面和电气火花,故在表中列入下列设备或建筑物:
(1)明火设备;
(2)控制室、机柜间、变配电所、化验室、办公室等建筑物是装置内重要设施,同时又是产生明火及火花的地点,有些还是人员集中场所,其防火要求相同,故合并为一项;
(3)操作温度等于或高于自燃点的设备。
2)释放源。根据现行国家标准《爆炸和火灾危险环境电力装置设计规范》GB
50058中对于释放源的规定,结合石油化工企业工艺装置的实际情况,根据不同的防火要求,将释放源分成四项:
(1)可燃气体压缩机或压缩机房;
(2)装置储罐;
(3)其他工艺设备或房间。
(4)含可燃液体的隔油池、污水池(有盖)、酸性污水罐、含油污水罐。
6
表5.2.1的可燃物质类别和防火间距补充说明如下:
1)甲B、乙A类液体和甲类气体及操作温度等于或高于其闪点的乙B、丙A类液体设备是释放源,其与明火或与有电火花的地点的最小防火间距,与爆炸危险场所范围相协调,定为15m;
2)甲A类液体,即液化烃,其蒸气压高于甲B、乙A类液体,事故分析也证明,其危险性也较甲B、乙A类液体大,其设备与明火设备的最小防火间距定为22.5m(15m的1.5倍);
3)乙B、丙A类液体和乙类气体设备不是释放源,但因易受外界影响而形成释放源,其与明火或有电火花的地点的最小防火间距为9m;
4)丙B类液体,闪点高于120℃,既不是释放源,也不易受外界影响而超过其闪点,故未规定这类设备的防火间距。在设计上,可只考虑其他方面的间距要求;
5)操作温度等于或高于自燃点的工艺设备,一旦泄漏,立即燃烧,故不作为释
放源,其与明火设备的间距只考虑消防的要求,本规范规定其与明火设备的最小间距为4.5m。
6)确定明火加热炉与其他设施防火间距时,自明火加热炉本体最外缘算起。
7
某些石油化工装置根据其生产特点需在装置内设置丙类仓库或乙类物品储存间,本次修订补充了丙类仓库或乙类物品储存间与其他设施的防火间距。
8
装置储罐组为工艺装置的一部分,故本次修改将99版规范表4.2.8与表4.2.1合并组成表5.2.1。
9 部分装置内设有含油污水预处理设施,故表5.2.1中增加含可燃液体的隔油池、污水池(有盖)一项;硫磺回收装置中的酸性污水罐,焦化装置除焦含油污水罐也具备隔油作用,因此与其同列在一项。
5.2.2 本条主要指与明火设备密切相关,联系紧密的设备。例如:
1
催化裂化装置的反应器与再生器及其辅助燃烧室可靠近布置。反应器是正压密闭的,再生器及其辅助燃烧室都属内部燃烧设备,没有外露火焰,同时辅助燃烧室只在开工初期点火,此时反应设备还没有进油,影响不大,所以防火间距可不限。
2
减压蒸馏塔与其加热炉的防火间距,应按转油线的工艺设计的最小长度确定;该管道生产要求散热少、压降小,管道过长或过短都对蒸馏效果不利,故不受防火间距限制。
3
加氢裂化、加氢精制装置等的反应加热炉与反应器,因其加热炉的转油线生产要求温降和压降应尽量小,且该管道材质是不锈钢或合金钢,价格昂贵,所以反应加热炉与反应器的防火间距不限。反应器一般位于反应产物换热器和反应加热炉之间,反应产物换热器一般紧靠反应器布置,所以反应产物换热器与反应加热炉之间防火间距也不限。
4
硫磺回收装置的酸性气燃烧炉属内部燃烧设备,没有外露火焰。液体硫磺的凝点约为117℃,在生产过程中,硫磺不断转化,需要几次冷凝、捕集。为防止设备间的管道被硫磺堵塞,要求酸性气燃烧炉与其相关设备布置紧凑,故对酸性气燃烧炉与其相关设备之间的防火间距,可不加限制。
5.2.4 燃料气分液罐、燃料气加热器等为加热炉附属设备,但又存在火灾危险,故规定了6m的最小间距。
5.2.5 以甲B、乙A类液体为溶剂的溶液法聚合液,如以加氢汽油为溶剂的溶液法聚合工艺的顺丁橡胶的胶液,含胶浓度为20%,有80%左右是加氢汽油或抽余油,虽火灾危险性较大,但因粘度大,易堵塞管道,输送过程中压降大。因此,既要求有较小的间距,又要满足消防的需要。溶液法聚合胶液的掺和罐、储存罐与相邻设备应有一定间距。当掺和罐、储存罐总容积大于800m³时,防火间距不宜小于7.5m;小于或等于800m³的不作规定,可根据实际情况确定。
5.2.8 露天或半露天布置设备,不仅是为了节省投资,更重要的是为了安全。因为露天或半露天,可燃气体便于扩散。“受自然条件限制”系指建厂地区是属于风沙大、雨雪多的严寒地区。工艺装置的转动机械、设备,例如套管结晶机、真空过滤机、压缩机、泵等因受自然条件限制的设备,可布置在室内。
“工艺特点”系指生产过程的需要,例如化纤设备不能露天或半露天布置。“半露天布置”包括敞开或半敞开式厂房布置。
5.2.9 考虑到联合装置内各装置或单元同开同停,同时检修。因此,各装置或单元之间的距离以同一装置相邻设备间的防火间距而定,不按装置与装置之间的防火间距确定。这样,既保证安全又节约了占地。
5.2.10 在大型联合装置或装置发生火灾事故时,消防车在必要时需进入装置进行扑救,考虑消防车进入装置后不必倒车,比较安全,装置内消防道路要求两端贯通。道路应有不少于2个出入口与装置四周的环形消防道路相连,且2个出入口宜位于不同方位,便于消防作业。在小型装置中,消防车救火时一般不进入装置内,在装置外两侧有消防道路且两道路间距不大于120m时,装置内可不设贯通式道路,并控制设备、建筑物区占地面积不大于10000m²。
规定路面内缘转弯半径是为了方便消防车通行。
对大型石油化工装置,道路路面宽度、净空高度及路面内缘转弯半径可根据需要适当增加。
5.2.11 各种石油化工工艺装置占地面积有很大不同,由数千平方米到数万平方米。例如某石油化工企业2000kt/a连续重整装置占地面积为32200m²,某石油化工企业900kt/a乙烯装置占地面积为98300m²。考虑到检修、消防要求,防止火灾蔓延,减少财产损失等因素,大型装置用道路将装置内设备、建筑物区进行分割是必要的。
《石油化工企业设计防火规范》GB
50160发布实施以来,“用道路将装置分割成为占地面积不大于10000m²的设备、建筑物区”,满足了大多数装置的布置需要。伴随装置规模大型化,有的大型石油化工装置用道路将装置分割成为占地面积不大于10000m²的设备、建筑物区已经难以做到。将防火分区面积扩大到20000m²,其理由如下:
1 本条文中的大型石油化工装置指的是单系列原油加工能力大于或等于10000kt/a石油化工厂中的主要炼油工艺装置、800kt/a及其以上的乙烯装置、200kt/a及其以上的高压聚乙烯装置、450kt/a及其以上的对苯二甲酸装置等。
2 同一工艺单元的设备必须连为一体布置。如:某石油化工企业1000kt/a乙烯装置的裂解炉及其炉前管廊,无法分隔,裂解炉区(含炉前管廊)的长度为180m,宽度为70m,面积为12600m²;某石油化工企业900kt/a乙烯装置的压缩区长度为164m,宽度为103m,面积为16892m²。
3 因工艺要求,在两个工艺单元之间不允许用道路分隔。如:某石油化工企业高压聚乙烯装置中的反应区和压缩区,两工艺单元之间有超高压管道相连,超高压管道必须沿地敷设,从而使两单元之间无法设置消防道路,两工艺单元总占地面积为15500m²。
考虑现有的消防水平,在增加部分消防设施情况下,限制用道路分割的设备、建筑物区宽度不大于120m,且在设备、建筑物区四周设环形道路,同时对道路宽度加以规定时,可适当扩大设备、建筑物区块面积至20000 m²。为减少事故情况下设备、建筑物区块间的相互影响,方便消防作业,对区块间防火间距规定不小于15m。当两相邻设备、建筑物区块占地面积总和不大于20000m²,两相邻设备、建筑物区块的防火间距可小于15m。
装置设备、建筑物区占地面积指装置内道路间或装置内道路与装置边界间占地面积。
在装置平面布置中,每一设备、建筑物区块面积首先按10000m²进行控制。
5.2.12
工艺装置(含联合装置)内的地坪在通常情况下标高差不大,但是在山区或丘陵地建厂,当工程土石方量过大,经技术经济比较,必须阶梯式布置,即整个装置布置在两阶或两阶以上的平面时,应将控制室、变配电所、化验室、办公室等布置在较高一阶平面上,将工艺设备、装置储罐等布置在较低的地平面上,以减少可燃气体侵入或可燃液体漫流的可能性。
5.2.13
一般加热炉属于明火设备,在正常情况下火焰不外露,烟囱不冒火,加热炉的火焰不可能被风吹走。但是,可燃气体或可燃液体设备如大量泄漏,可燃气体有可能扩散至加热炉而引起火灾或爆炸。因此,明火加热炉宜布置在可燃气体、可燃液体设备的全年最小频率风向的下风侧。
明火加热炉在不正常情况下可能向炉外喷射火焰,也可能发生爆炸和火灾,如将其分散布置,必然增加发生事故的几率;另明火加热炉距可燃气体、液化烃和甲B、乙A类设备均要求有较大的防火间距,如将其分散布置必然会增加装置占地,所以宜将加热炉集中布置在装置的边缘。
5.2.14 不燃烧材料实体墙可以有效地阻隔比空气重的可燃气体或火焰。因此当明火加热炉与露天液化烃设备或甲类气体压缩机之间若设置不燃烧材料的实体墙,其防火间距可小于表5.2.1的规定,但考虑到明火加热炉仍必须位于爆炸危险场所范围之外,故其防火间距仍不得小于15m,且对实体墙长度有明确要求便于实施,有利于安全。
同理,当液化烃设备的厂房、甲类气体压缩机房面向明火加热炉一侧为无门窗洞口的不燃烧材料实体墙时,其防火间距可小于表5.2.1的规定,但其防火间距仍不得小于15m。
5.2.15
在同一幢建筑物内当房间的火灾危险类别不同时,其着火或爆炸的危险性就有差异,为了减少损失,避免相互影响,其中间隔墙应为防火墙。人员集中的房间应重点保护,应布置在火灾危险性较小的建筑物一端。
5.2.16
装置的控制室、机柜间、变配电所、化验室、办公室等为装置内人员集中场所或重要设施,且又可能是点火源,因此其与发生火灾爆炸事故几率较高的甲、乙A类设备的房间不应布置在同一建筑物内,应独立设置。
5.2.17 装置的控制室、化验室、办公室是装置的重要设施,是人员集中场所,为保护人员安全,要求将其集中布置在装置外,从集中控制管理理念出发,提倡全厂或区域统一考虑设置。若生产要求,上述设施必须布置在装置内时,也应布置在装置内相对安全的位置。
5.2.18 本条第2款规定的“高差不应小于0.6m”是爆炸危险场所附加2区的高度范围,附加2区的水平范围是距释放源15m~30m的范围。
第3款是为了防止装置发生事故时能有效的保护室内设备及人员安全。耐火极限不低于3h的不燃烧材料实体墙是按照现行防火墙的定义要求。
第4款化验室、办公室是人员集中工作的场所,由于布置在装置区内,一旦周围设备发火灾事故就有可能危及人员生命。为了保护室内人员安全,面向有火灾危险性设备侧的外墙应尽量采用无门窗洞口的不燃烧材料实体墙。
第5款在人员集中的房间设置可燃介质的设备和管道存在安全隐患。
5.2.19
高压设备是指表压为10MPa~100MPa的设备,超高压设备是指表压超过100MPa的设备。尽可能将高压和超高压设备布置在装置的一端或一侧,是为了减小可能发生事故对装置的波及范围,以减少损失。
有爆炸危险的超高压甲、乙类反应设备,尤其是放热反应设备和反应物料有可能分解、爆炸的反应设备,宜布置在防爆构筑物内。
超高压聚乙烯装置的釜式或管式聚合反应器布置在防爆构筑物内,并与工艺流程中其 前后处理过程的设备联合集中布置。
5.2.20
可燃气体、液化烃和可燃液体设备火灾危险性大,采用构架式布置时增加了火灾
危险程度,对消防、检修等均带来一定困难,装置内设备优先考虑地面布置。
当装置占地受限制等其他制约因素存在时,装置内设备可采用构架式布置,但构架层数不宜超过四层(含地面层)。当工艺对设备布置有特殊要求(如重力流要求)时,构架层数可不受此限。
5.2.21 空气冷却器是比较脆弱的设备,等于或大于自燃点的可燃液体设备是潜在的火源。为了保护空冷器,故作此规定。
5.2.22
工艺装置是石油化工企业生产的核心,生产条件苛刻,危险性较大。装置储罐是为了平衡生产、产品质量检测或一次投入而需要在装置内设置的原料、产品或其他专用储罐。为尽可能地减少影响装置生产的不安全因素,减小灾害程度,故即使是为满足工艺要求,平衡生产而需要在装置内设置装置储罐,其储量也不应过大。
作为装置储罐,液化烃储罐的总容积小于或等于100m³;可燃气体或可燃液体储罐的总容积小于或等于1000m³时,可布置在装置内。当装置储罐超过上述总容积且液化烃罐大于100m³小于或等于500m³、可燃气体罐或可燃液体罐大于1000m³小于或等于5000 m³时,可在装置边缘集中布置,形成装置储罐组。但对液化烃和可燃液体单罐容积加以限制,主要是为确保安全,方便生产管理。装置储罐组属于装置的一部分。
伴随装置规模的大型化,在装置边缘集中布置的装置储罐组总容积液化烃储罐由300m³扩大为500 m³、可燃液体罐由3000 m³扩大为5000m³。
考虑到对装置储罐组总容积已有所限制,装置储罐组的专用泵仅要求布置在防火堤外,其与装置储罐的防火间距可不执行5.3.5条的规定。
5.2.23 甲、乙类物品仓库火灾危险性大,其发生火灾事故后影响大,不应布置在装置内。为保证连续稳定生产,工艺需要的少量乙类物品储存间、丙类物品仓库布置在装置内时,为减少影响装置生产的不安全因素,要求位于装置的边缘。
5.2.24
可燃气体的钢瓶是释放源,明火或操作温度等于或高于自燃点的设备是点火源,释放源与点火源应有防火间距。分析专用的钢瓶储存间可靠近分析室布置,但钢瓶储存间的建筑设计应满足泄压要求,以保证分析室内人员安全。
5.2.25 危险性较大且面积较大的房间只设一个门是不安全的。
5.2.26
各装置设备、构筑物的平台一般都有2个以上的梯子通住地面,直梯、斜梯均可。有的平台虽只有1个梯子通往地面,但另一端与邻近平台用走桥连通,实际上仍有2个安全出口。一般来说,只有1个梯子是不安全的。例如某厂热裂化装置柴油汽提塔着火,起火时就封住下塔的直梯,造成3人伤亡。事后,增设了1m长的走桥使汽提塔与邻近的分馏塔连接起来。
5.2.27
为控制可燃液体泄漏引发火灾影响的范围,对装置内地坪竖向设计和含可燃液体的污水收集和排污系统设计提出原则要求。同时,对受污染的消防水收集和排放提出原则要求。