石油化工企业设计防火标准
编号:GB50160-2008(2018年版)
颁布时间:2008/12/30
是否常用:是
是否有效:现行有效
分类:特殊场所建筑防火
5.6
钢结构耐火保护
1
单个容积等于或大于5m3的甲、乙A类液体设备的承重钢构架、支架、裙座;
2 在爆炸危险区范围内,且毒性为极度和高度危害的物料设备的承重钢构架、支架、裙座;
3 操作温度等于或高于自燃点的单个容积等于或大于5m3的乙B、丙类液体设备承重钢构架、支架、裙座;
4
加热炉炉底钢支架;
5
在爆炸危险区范围内的钢管架;跨越装置区、罐区消防车道的钢管架;
6 在爆炸危险区范围内的高径比等于或大于8
,且总重量等于或大于25t的非可燃介质设备的承重钢构架、支架和裙座。
5.6.2 本标准第5.6.1条所述的承重钢结构的下列部位应覆盖耐火层,覆盖耐火层的钢构件,其耐火极限不应低于2h。
1
支承设备钢构架:
1)单层构架的梁、柱;
2)多层构架的楼板为透空的钢格板时,地面以上10m范围的梁、柱;
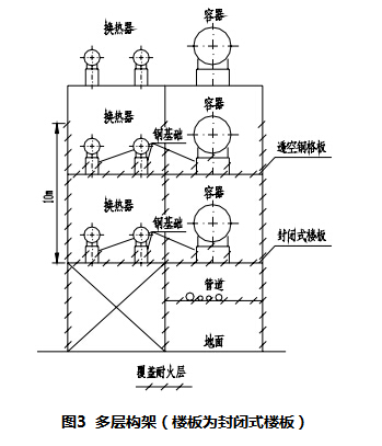
3)多层构架的楼板为封闭式楼板时,地面至该层楼板面及其以上10m范围的梁、柱;
4)上部设有空气冷却器的构架的全部梁、柱及承重斜撑。
2
支承设备钢支架;
3 钢裙座外侧未保温部分及直径大于1.2m的裙座内侧;
4
钢管架:
1)
底层支承管道的梁、柱;当底层低于4.5m时,地面以上4.5m内的支承管道的梁、柱;
2)
上部设有空气冷却器的管架,其全部梁、柱及承重斜撑;
3)
下部设有液化烃或可燃液体泵的管架,地面以上10m范围的梁、柱;
5
加热炉从钢柱柱脚板到炉底板下表面50mm范围内的主要支承构件应覆盖耐火层,与炉底板连续接触的横梁不覆盖耐火层;
6
液化烃球罐支腿从地面到支腿与球体交叉处以下0.2m的部位。
条文说明
5.6 钢结构耐火保护
5.6.1 无耐火保护层的钢柱,其构件的耐火极限只有0.25h左右,在火灾中很容易丧失强度而坍塌。因此,为避免产生二次灾害,使承重钢结构能在一般火灾事故中,在一定时间内,仍保持必需的强度,故规定应采取耐火保护措施。
此条中“承重”的概念为支撑设备或管道重量,“非承重”的概念为仅承受人员操作平台或承受和传递水平荷载,不直接承受设备或管道重量。
爆炸危险区范围内的高径比等于或大于8 的设备承重钢构架一旦倒塌会造成较大范围的次生危害。
在爆炸危险区范围内,毒性为极度或高度危害的物料设备的承重钢构架、支架、裙座,一旦倒塌会造成环境污染、人员中毒。
5.6.2 耐火层包括:水泥砂浆、保温砖、耐火涂料等。标准火灾(即建筑火灾)与烃类火灾的主要区别是升温曲线不同,标准火灾的升温曲线,在30min时的火焰温度约700~800℃;而烃类火灾的升温曲线,在10min时的火焰温度便达到1000℃。石油化工企业的火灾绝大多数是烃类火灾。因此,耐火层选用应适用于烃类火灾,且其耐火极限不应低于1.5h。建筑物的钢构件耐火极限执行相关规范。耐火层的覆盖范围是根据我国的生产实践,结合API Publ 2218《Fireproofing Practices in Petroleum and Petrochemical Processing Plants》(炼油和石油化工厂的防火)确定的。钢结构所覆盖耐火层的范围举
例如下:
1 支承设备钢构架:
1)单层构架见图1;

2)多层构架的楼板为透空的钢格板时,见图2;

3)多层构架的楼板为封闭式楼板时,见图3;

2 支承设备钢支架见图4;

图4 支承设备钢支架
3 钢裙座外侧未保温部分及直径大于1.2m的裙座见图5;

4 钢管架,见图6 、图7 及图8 。


上述举例中除另有要求外,承重钢构架、支架及管架的下列部位,可不覆盖耐火层:
1)不直接承受或传递设备、管道垂直荷载的次梁、联系梁;
2)用于支承楼板、钢格板的梁;
3)仅用于抵抗风和地震荷载的支撑;
4)卧式设备和换热器的鞍座。
5
加热炉及乙烯裂解炉见图9。
加热炉的钢结构不宜做整体耐火保护,是由于加热炉炉膛内的温度较高,且钢结构有一部份热量需要散出。如果将加热炉的钢结构包严进行耐火保护处理,热量散发不出去,会造成钢结构温度升高,在钢结构上将产生附加的温度应力,不利于安全。参照美国API Publ 2218 (炼油和石油化工厂的防火)的规定,以及国外加热炉专业公司防火的通用做法,故对本条进行修改。
