消防给水及消火栓系统技术规范
编号:GB50974-2014
颁布时间:2014/1/4
是否常用:是
是否有效:现行有效
分类:消防设施
3.3
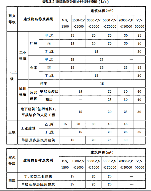
建筑物室外消火栓设计流量
建筑物室外消火栓设计流量,应根据建筑物的用途功能、体积、耐火等级、火灾危险性等因素综合分析确定。
3.3.2
建筑物室外消火栓设计流量不应小于表3.3.2的规定。

注:1
成组布置的建筑物应按消火栓设计流量较大的相邻两座建筑物的体积之和确定;
2
火车站、码头和机场的中转库房,其室外消火栓设计流量应按相应耐火等级的丙类物品库房确定;
3
国家级文物保护单位的重点砖木、木结构的建筑物室外消火栓设计流量,按三级耐火等级民用建筑物消火栓设计流量确定;
4
当单座建筑的总建筑面积大于500000m2时,建筑物室外消火栓设计流量应按本表规定的最大值增加一倍。
3.3.3
宿舍、公寓等非住宅类居住建筑的室外消火栓设计流量,应按本规范表3.3.2中的公共建筑确定。
条文说明
3.3
建筑物室外消火栓设计流量
3.3.2
本条规定了工厂、仓库和民用建筑的室外消火栓设计流量。
该条依据国家标准《建筑防火设计规范》GB
50016-2006和《高层民用建筑防火设计规范》GB
50045-95(2005年版)等规范的室外消防用水量,根据常用的建筑物室外消防用水量主要依据建筑物的体积、危险类别和耐火等级计算确定,并统一修正。当单座建筑面积大于500000m2时,根据火灾实战数据和供水可靠性,室外消火栓设计流量增加1倍。