气体消防系统选用、安装与建筑灭火器配置
编号:GJBT-1009
颁布时间:2007/6/1
是否常用:是
是否有效:现行有效
分类:消防设施
气体灭火系统电气控制原理图
气体灭火系统电气控制原理图

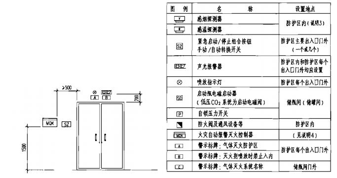
控制组件布置示意图

说明:1.本原理图适用于有管网七氟丙烷、IG-541、二氧化碳,三氟甲烷、IG-100气体灭火系统的电气控制。
2.火灾探测器宜水平安装。感温探测器的安装高度不得超过8m,感烟探测器的安装高度不得超过12m。探测器周围0.5m以内不应有遮挡物。探测器至墙面,梁边的水平距离不应小于0.5m,至空调送风口的水平距离不应小于1.5m。
3.对于通信机房和计算机房等平时有温控系统的防护区,除采用温-烟组合的两个独立火灾信号外,也可考虑采用烟-烟组合的两个独立火灾信号,有利缩短系统灭火的启动时间。
4.火灾自动报警灭火控制器宜设置在经常有人的场所。单元独立系统一般设置在防护区主要入口门外;组合分配系统可根据工程的具体情况,将其设置在较大或较重要的防护区主要出入口门外;条件许可时,宜优先选择设置在消防控制室(或值班室)内。
5.设有消防控制室的场所,应将各防护区灭火控制系统的火灾信息、灭火动作、手动与自动转换及系统设备故障等相关信息传送给消防控制室。
6.所有控制线路均应穿金属管保护,并宜暗敷在非燃烧结构体内。如采用明敷,应在金属管上采取涂刷防火涂料等措施。
7.本原理图参照广东胜捷消防科技有限公司提供的技术资料进行绘制。其他企业系统电气控制元、器件配置及控制线根数等可能不完全相同,但系统控制原理是一致的。