气体消防系统选用、安装与建筑灭火器配置
编号:GJBT-1009
颁布时间:2007/6/1
是否常用:是
是否有效:现行有效
分类:消防设施
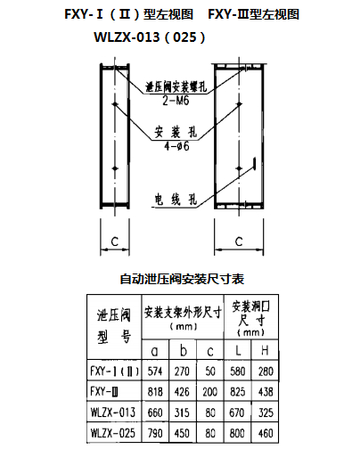
自动泄压阀安装图


泄压阀电气接线说明: 1.泄压阀电源线、往消防控制室信号线、手动控制线全部采用引出外接方式。
2.接线编号及对应功能为:l′线-接地线、2′、3′线-电源线(AC220V);5′、6′线-往消防控制室信号线;7′、8′线-消防控制室远距离手动控制线。(编号无4′线)
3.接线方式:①接l′、2′、3′线(自动控制);②接l′、2′、3′、5′、6′线{自动控制+动作信号反馈到消防控制室);③接1′、2′、3′、5′、6′、7′、8′线{自动控制+动作信号反馈到消防控制室+远距离手动控制)。
注:泄压阀安装支架材质为δ=2冷轧钢板,表面喷塑。