气体消防系统选用、安装与建筑灭火器配置
编号:GJBT-1009
颁布时间:2007/6/1
是否常用:是
是否有效:现行有效
分类:消防设施
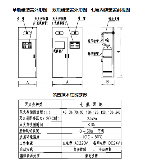
柜式(无管网)预制灭火装置外形图
(七氟丙烷)

