民用建筑电气设计标准
编号:GB51348-2019
颁布时间:2019/11/22
是否常用:是
是否有效:现行有效
分类:建筑防火
6.1
自备柴油发电机组
6.1.1
本节可适用于民用建筑自身供电需要,发电机额定电压为10kV及以下自备应急柴油发电机组和备用柴油发电机组的工程设计。
6.1.2
自备应急柴油发电机组和备用柴油发电机组的机房设计应符合下列规定:
1
机房宜布置在建筑的首层、地下室、裙房屋面。当地下室为三层及以上时,不宜设置在最底层,并靠近变电所设置。机房宜靠建筑外墙布置,应有通风、防潮、机组的排烟、消声和减振等措施并满足环保要求。
2
机房宜设有发电机间、控制室及配电室、储油间、备品备件储藏间等。当发电机组单机容量不大于1000kW或总容量不大于1200kW时,发电机间、控制室及配电室可合并设置在同一房间。
3
发电机间、控制室及配电室不应设在厕所、浴室或其他经常积水场所的正下方或贴邻。
4
民用建筑内的柴油发电机房,应设置火灾自动报警系统和自动灭火设施。
6.1.3
自备应急柴油发电机组和备用柴油发电机组的选择应符合下列规定:
1
机组容量与台数应根据应急或备用负荷大小以及单台电动机最大启动容量等综合因素确定。当应急或备用负荷较大时,可采用多机并列运行,应急柴油发电机组并机台数不宜超过4台,备用柴油发电机组并机台数不宜超过7台。额定电压为230V/400V的机组并机后总容量不宜超过3000kW。当受并机条件限制时,可实施分区供电。
2
方案及初步设计阶段,应急柴油发电机组容量可按配电变压器总容量的10%~20%进行估算。施工图设计阶段,宜按下列方法计算的最大容量确定:
1) 按需要供电的稳定负荷来计算发电机容量;
2)
按最大的单台电动机或成组电动机启动的需要,计算发电机容量;
3)
按启动电动机时,发电机母线允许电压降计算发电机容量。
3
备用柴油发电机组容量的选择,应按工作电源所带全部容量或一级二级负荷容量确定。
4
当有电梯负荷时,在全电压启动最大容量笼型电动机情况下,发电机母线电压不应低于额定电压的80%;当无电梯负荷时,其母线电压不应低于额定电压的75%。当条件允许时,电动机可采用降压启动方式。
5
当多台机组需要并机时,应选择型号、规格和特性相同的机组和配套设备。
6
宜选用高速柴油发电机组和无刷励磁交流同步发电机,配自动电压调整装置。选用的机组应装设快速自启动装置和电源自动切换装置。
7
当发电机房设置不能满足周边环境噪声要求时,宜选择自带消声处理装置的发电机组。
8
柴油发电机组的单机容量,额定电压为3kV~10kV时不宜超过2400kW,额定电压为1kV以下时不宜超过1600kW。
9
3kV~10kV高压发电机组的电压等级宜与用户侧供电电压等级一致。
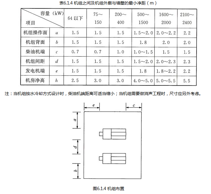
6.1.4
机组应设置在专用机房内,机房设备的布置应符合下列规定:
1 机房设备布置应符合机组运行工艺要求。
2 机组布置应符合下列要求:
1)机组宜横向布置;
2)机房与控制室、配电室贴邻布置时,发电机出线端与电缆沟宜布置在靠控制室、配电室侧;
3)机组之间、机组外廊至墙的净距应满足设备运输、就地操作、维护检修或布置附属设备的需要,有关尺寸不宜小于表6.1.4的规定,如图6.1.4所示。

3
辅助设备宜布置在柴油机侧或靠机房侧墙。
4
不同电压等级的发电机组可设置在同一发电机房内,当机组超过两台时,宜按相同电压等级相对集中设置。
5 机组热风管设置应符合下列要求:
1)热风出口宜靠近且正对柴油机散热器;
2)热风管与柴油机散热器连接处,应采用软接头;
3)热风出口的面积不宜小于柴油机散热器面积的1.5倍;
4)热风出口不宜设在主导风向一侧,当有困难时,应增设挡风墙;
5)当机组设在地下层,热风管无法平直敷设引出时,其热风管弯头不宜超过两处,且应计算风管的阻力损失。
6 机组排烟管的敷设应符合下列要求:
1)每台柴油机的排烟管应单独引至排烟道,宜架空敷设,也可敷设在地沟中;排烟管弯头不宜过多,且能自由位移;水平敷设的排烟管至排烟道宜设0.3%~0.5%的坡度,并应在排烟管最低点装排污阀;
2)排烟管的室内部分采用架空敷设时,应敷设隔热保护层;
3)机组的排烟阻力不应超过柴油机的背压要求,当排烟管较长时,应采用自然补偿段,并加大排烟管直径;当无条件设置自然补偿段时,应装设补偿器;
4)排烟管与柴油机排烟口连接处应装设弹性波纹管;
5)排烟管过墙应加保护套,伸出屋面时,出口端应加装防雨帽;
6)非增压柴油机应在排烟管装设消声器;两台柴油机不应共用一个消声器,消声器应单独固定。
7
机房设计时应采取机组消声及机房隔声综合治理措施,治理后环境噪声应符合现行国家标准《声环境质量标准》GB3096的相关规定。
6.1.5 机房配电线缆选择及敷设应符合下列规定:
1
机房、储油间采用的电力电缆或绝缘电线宜按多油污、潮湿环境选择;
2
发电机配电屏的引出线宜采用耐火型铜芯电缆、耐火型母线槽或矿物绝缘电缆;
3
控制线路、测量线路、励磁线路应选择铜芯控制电缆或铜芯电线;
4
控制线路、励磁线路宜穿钢导管埋地敷设或沿桥架架空敷设;电力配线宜采用电缆沿电缆沟敷设或沿桥架架空敷设;
5 当设电缆沟时,沟内应有排水和排油措施。
6.1.6 附属设备的控制方式应符合下列规定:
1 附属设备电动机的控制方式应与机组控制方式一致;
2 柴油机冷却水泵宜采用就地控制和随机组运行联动控制;
3 高位油箱供油泵宜采用就地控制或液位控制器进行自动控制。
6.1.7 控制室的布置应符合下列规定:
1
控制室的位置应便于观察、操作和调度,通风应良好,进出线应方便。
2
控制室内不应有与其无关的管道通过,亦不应安装无关设备。
3
控制室内控制屏(台)的安装距离和通道宽度应符合下列规定:
1)控制屏正面操作宽度,单列布置时,不宜小于1.5m;双列布置时,不宜小于2.0m;
2)离墙安装时,屏后维护通道不宜小于0.8m。
4
当控制室的长度大于7m时,应设有两个出口,出口宜在控制室两端。控制室的门应向外开启。
5
当不需设控制室时,控制屏和配电屏宜布置在发电机端或发电机侧,其操作维护通道应符合下列规定:
1)屏前距发电机端不宜小于2.0m;
2)屏前距发电机侧不宜小于1.5m。
6.1.8 发电机组的自启动与并列运行应符合下列规定:
1
用于应急供电的发电机组平时应处于自启动状态。当市电中断时,低压发电机组应在30s内供电,高压发电机组应在60s内供电。
2
机组电源不得与市电并列运行,并应有能防止误并网的联锁装置。
3
当市电恢复正常供电后,应能自动切换至正常电源,机组能自动退出工作,并延时停机。
4
为了避免防灾用电设备的电动机同时启动而造成柴油发电机组熄火停机,用电设备应具有不同延时,错开启动时间。重要性相同时,宜先启动容量大的负荷。
5
自启动机组的操作电源、机组预热系统、燃料油、润滑油、冷却水以及室内环境温度等均应保证机组随时启动。水源及能源必须具有独立性,不应受市电停电的影响。
6
自备柴油发电机组自启动宜采用电启动方式,电启动设备宜按下列要求设置:
1)
电启动用蓄电池组电压宜为12V或24V,容量应按柴油机连续启动不少于6次确定;
2)
蓄电池组宜靠近启动发电机组设置,并应防止油、水浸入;
3)
应设置整流充电设备,其输出电压宜高于蓄电池组的电动势50%,输出电流不小于蓄电池10h放电率电流;
4) 当连续三次自启动失败,应在控制盘上发出报警信号;
5)
应自动控制机组的附属设备,自动转换冷却方式和通风方式。
6.1.9 发电机组的中性点工作制应符合下列规定:
1 1kV及以下发电机中性点接地应符合下列要求:
1)
只有单台机组时,发电机中性点应直接接地,机组的接地形式宜与低压配电系统接地形式一致;
2)
当多台机组并列运行时,每台机组的中性点均应经刀开关或接触器接地。
2
3kV~10kV发电机组的接地方式宜采用中性点经低电阻接地或不接地方式;经低电阻接地的系统中,当多台发电机组并列运行时,每台机组均宜配置接地电阻。
6.1.10 储油设施的设置应符合下列规定:
1
当燃油来源及运输不便或机房内机组较多、容量较大时,宜在建筑物主体外设置不大于15m³的储油罐;
2
机房内应设置储油间,其总储存量不应超过1m³,并应采取相应的防火措施;
3
日用燃油箱宜高位布置,出油口宜高于柴油机的高压射油泵;
4
卸油泵和供油泵可共用,应装设电动和手动各一台,其容量应按最大卸油量或供油量确定;
5 储油设施除应符合本规定外,尚应符合现行国家标准《建筑设计防火规范》GB50016的相关规定。
6.1.11 柴油发电机房设计应符合下列规定:
1 机房应有良好的通风;
2
机房面积在50㎡及以下时宜设置不少于一个出入口,在50㎡以上时宜设置不少于两个出入口,其中一个应满足搬运机组的需要;门应为向外开启的甲级防火门;发电机间与控制室、配电室之间的门和观察窗应采取防火、隔声措施,门应为甲级防火门,并应开向发电机间;
3
储油间应采用防火墙与发电机间隔开;当必须在防火墙上开门时,应设置能自行关闭的甲级防火门;
4 当机房噪声控制达不到现行国家标准《声环境质量标准》GB3096的规定时,应做消声、隔声处理;
5
机组基础应采取减振措施,当机组设置在主体建筑内或地下层时,应防止与房屋产生共振;
6
柴油机基础宜采取防油浸的设施,可设置排油污沟槽,机房内管沟和电缆沟内应有0.3%的坡度和排水、排油措施;
7
机房各工作房间的耐火等级与火灾危险性类别应符合表6.1.11的规定。

8
机房设置在高层建筑物内时,机房内应有足够的新风进口及合理的排烟道位置。机房排烟应采取防止污染大气措施,并应避开居民敏感区,排烟口宜内置排烟道至屋顶。
9
机房进风口宜设在正对发电机端或发电机端两侧,进风口面积不宜小于柴油机散热器面积的1.6倍。
10 当机房设置在裙房屋面时,应符合下列规定:
1)
机房所在屋面至地面应设置输油管道;输油管宜沿建筑物外墙明敷或经专用竖井至地面输油接口;输油管专用竖井宜沿建筑物外墙设置,且不宜采用全封闭形式;
2)
输油接口附近应设置户外型单相插座,并预留移动式输油泵操作空间;
3)
输油管底部应设手动泄油阀,其下方应设应急泄油池,池内应堆积卵石,且其容量应足以容纳输油管内滞留的柴油。
6.1.12 柴油发电机房接地与通信应符合下列规定:
1 机房内的接地,宜采用共用接地;
2 燃油系统的设备与管道应采取防静电接地措施;
3 控制室与值班室应设通信电话,并应设消防专用电话分机。
6.1.13 柴油发电机房给水排水专业应符合下列要求:
1 柴油机的冷却水水质,应符合机组运行技术条件要求;
2
柴油机采用闭式循环冷却系统时,应设置膨胀水箱,其装设位置应高于柴油机冷却水的最高水位;
3
冷却水泵应为一机一泵,当柴油机自带水泵时,宜设1台备用泵;
4 当机组采用分体散热系统时,分体散热器应带有补充水箱;
5 机房内应设有洗手盆和落地洗涤槽。
6.1.14 柴油发电机房供暖通风专业应符合下列要求:
1
宜利用自然通风排除发电机房内的余热,当不能满足温度要求时,应设置机械通风装置;
2
当机房设置在高层民用建筑的地下层时,应设置防烟、排烟、防潮及补充新风的设施;
3 机房各房间温湿度要求宜符合表6.1.14的规定;

4
安装自启动机组的机房,应满足机组自启动温度要求;当环境温度达不到启动要求时,应采用局部或整机预热措施;在湿度较高的地区,应考虑防结露措施。
条文说明
6.1.3
本条规定了满足民用建筑自身供电需要,发电机额定电压为10kV及以下自备应急柴油发电机组和备用柴油发电机组的选取原则。
第1款
确定机组容量时,除考虑应急负荷总容量之外,还应着重考虑启动电动机容量。因单台电动机最大启动容量对确定机组容量有直接关系,决定机组能启动电动机容量大小的因素又很多,它与发电机的技术性能、柴油机的调速性能、电动机的极对数、启动时发电机所带负荷大小和功率因数的高低、发电机的励磁和调压方式以及用电负荷对电压指标的要求等因素有关。因此,设计确定机组容量,应具体分析区别对待。
为了便丁设计参考,三相低压230V/400V柴油发电机组在空载时,可全电压直接启动的空载四极笼型三相异步电动机最大容量参见表1。

注:①P为柴油发电机功率。
但应注意,表1所列数值,没有考虑电动机直接启动对机组母线电压降加以限制,是以全电压直接启动电动机时,电动开关和失电压保护不应跳闸为条件。
要求额定电压为230V/400V的机组并机后总容量不宜超过3000kW,主要是考虑并机后总输出电流不宜太大,不利保护、管理。
第2款
根据国内外现有一些高层建筑用电指标统计,应急发电机容量约占供电变压器总容量的10%~20%。国外建筑物配电变压器容量一般选择得较富裕,因此后一个指标偏差较大。根据我国现实情况,建筑物规模大时取下限,规模小时取上限。
发电机组的容量可分别按下列公式计算:
1 按稳定负荷计算发电机容量Sc1:

2 按最大的单台电动机或成组电动机启动的需要,计算发电机容量Sc2:

3 按启动电动机时母线容许电压降计算发电机容量Sc3:

公式(4)适用于柴油发电机与应急负荷中心距离很近的情况。
如果外界气压、温度、湿度等条件不同时,则应按照表2~表5中所列校正系数进行校正。即:实际功率=额定功率×C%。




第4款
规定母线电压不得低于80%,基于下列几方面的因素:
1
保证电动机有足够的启动转矩,因启动转矩是与电源电压的平方成正比的。
2
不致因母线电压过低而影响其他用电设备的正常工作,尤其是对电压比较敏感的设备。
3
要保证接触器等开关接触设备的吸引线圈能可靠地工作。当直接启动大容量的笼型电动机时,发电机母线的电压降落太大,影响应急电力设备启动或正常运行时,不应首先考虑加大发电机组的容量,而应采取其他措施来减少发电机母线的电压波动,例如采用电动机降压启动方式等。
第6款
据调查,目前国内外高层建筑中所采用的应急柴油发电机组以1500r/min高速机组居多。此种机组具有体积小、重量轻、启动运行可靠等优点。
当无刷励磁交流同步发电机与自动电压调整装置配套使用时,其静态电压调整率可保证在士(1.0%~2.5%)以内。这种类型机组能适应各种运行方式,易于实现机组自动化或对发电机组的遥控。
目前国产柴油发电机组启动时间可小于15s,有的产品可在4s~7s,保证值为15s。
第7款
规定本款是为了防止发电机运行时的噪声对周边环境有较大影响,而选择自带消声处理装置的发电机组时能够较好地降低发电机组的噪声。
第8款
本款主要从自备应急柴油发电机组的综合性价比及安装运行成本上对其单机容量作了规定,3kV~10kV时不宜超过2400kW,1kV以下时不宜超过1600kW,此时综合性价比及安装运行成本相对较好。
第9款
规定3kV~10kV中压发电机组的电压等级与用户侧供电电压等级一致,能够简化应急或备用电供配电系统,提高其安全性,减少供配电系统的电压等级。
6.1.4 本条规定了机房设备的布置要求。
第1款~第3款
机房内主要设备有柴油发电机组、控制屏、操作台、电力及照明配电箱、启动蓄电池、燃油供给和冷却、进排风系统以及维护检修设备等。机房的布置要根据机组容量大小和台数而定。小容量机组一般为机电一体,不用设控制室。机组容量较大,可把机房和控制室分开布置,这样有利于改善工作条件。
机房布置方式及各部位有关最小尺寸,是根据机组运行维护、辅助设备布置、进排风以及施工安装等需要,并结合目前封闭式自循环水冷却方式的应急型机组的外廓尺寸提出的。机房布置主要以横向布置(垂直布置)为主,这种布置机组中心线与机房的轴线相垂直,操作管理方便,管线短,布置紧凑。第4款许多超高层建筑往往会设置不同电压等级的发电机组,以满足不同供电距离的要求,这时不同电压等级的发电机组可设置在同一发电机房内,这样可以方便管理,减少机房面积。但机组台数较多时,宜按相同电压等级相对集中设置,便于维护管理。
第5款
机组热风出口位置,应避免经常有自然风顶吹的方向,并应在热风出口设百叶窗,其百叶窗净空不要太小。因散热器的吹风扇风压降一般在127Pa以下,以免影响散热效果和机组出力。
机组设在地下层,热风管引出室外最好平直。如要拐弯引出,其弯头不宜超过两处,拐弯应大于或等于90°,而且内部要平滑,以免阻力过大影响散热。
如机组设在地下层其热风管又无法伸出室外,不应选整体风冷机组,应改选分体式散热机组,即柴油机夹套内的冷却器由水泵送至分体式水箱冷却方式。
第6款
机组排烟管伸出室外的位置很重要,如调查某一高级饭店,其机房排烟管道正好设在主建筑物客房上风侧,机组运行时烟气正吹向客房,影响很不好。
排烟管系统的作用是将气缸里的废气排至室外,排烟系统应尽量减少背压,因为废气阻力的增加将导致柴油机出力的下降及温升的增加。
排烟系统的压降为管路、消声器、防雨帽等各部分压降之和,总的压降以不超过6720Pa为宜。
排烟管敷设方式有两种:一是水平架空敷设,优点是转弯少、阻力小。其缺点是增加室内散热量,使机房内温度升高。二是地沟敷设,优点是在地沟内散热量小,对湿热带尤为适宜。其缺点是排烟管转弯多,阻力比架空敷设大。
排烟管温度一般为350℃~550℃,为防止烫伤和减少辐射热,其排烟管宜进行保温处理,以减少排烟管的热量散到房间内增高机房温度。保温表面温度不应超过50℃,保温措施一般按热力保温方法处理。
排烟噪声在柴油机总噪声中属于最强烈的一种噪声,其频谱是连续的,排烟噪声的强度最高可达110dB~130dB,对机房和周围环境有较大的影响。所以应设消声器,以减少噪声。排烟管的热膨胀可由弯头或来回弯补偿,也可设补偿器、波纹管、套筒伸缩节补偿。
6.1.5
根据调查,发电机容量较大时,其出线截面大且线缆根数多,再加各种控制回路和配出线路,显得机房内管线较多。为了敷线方便及维护安全,在发电机出口、控制屏或控制室以及配电线路出口等各处之间设电缆沟并贯通一起或采用沿桥架架空敷设的方式比较适宜。
6.1.7 本条规定了控制室的电气设备布置要求。
第2款~第5款
控制室的主要设备有发电机控制屏、机组操作台、动力控制屏(台)、低压配电屏及照明配电箱等。其布置与低压配电室的要求相同。主要要求操作人员便于观察控制屏或台上仪表,并能通过观察窗看到机组运行情况。
控制室的控制屏(台)一般数量不多,维护通道为0.8m是可以的,但在具体工程设计中,如条件允许,可适当放大些,配电装置的最高点距房顶不应小于0.5m。
6.1.8 本条规定了发电机组的自启动要求。
第1款
应急机组是保证建筑物安全的重要设备,它的首要任务是在应急情况下,必须能够可靠启动并投入正常运行,以满足使用要求。发电机组应在30s内供电,对于低压发电机组而言,一般较易实现;但对于高压发电机组而言,由于需通过变压器将高压电源变换成220V/380V电源才能向设备供电,供电系统实现从启动到供电的时间将会长于低压发电机组,因此对高压发电机组规定在60s内供电;另外,系统的构成应简单、合理、可靠,且变压器不宜处在长时期
不通电的状态。本款对发电机组的供电时间要求不包括多台发电机并机的情况。
第2款
与市电网不得并列运行,是考虑到一旦机组发生故障,不要波及市电网,而扩大了故障范围。如市电网有故障,因与机组未并网,也易于随机处理,避免发生意外事故。联锁的目的就是防止误并网。
第5款
机房在寒冷地区应供暖,为保证机组应急时顺利启动。机房最低温度应根据产品要求,但一般不应低于5℃,最高温度不应超过35℃,相对湿度应小于75%。
自启动机组的冷却水应能自流供给,若水源不可靠,应设储水箱或储水池。
为了确保机组启动具有足够的能量,除机组具有充电能力外,在备用过程中应具有浮充电装置。
为保证机组在应急时使用,必须储备一定数量的燃料油,还应设两个以上柴油储油箱,便于新油沉淀。
第6款
启动蓄电池由机组随机供给,工作电压为12V或24V。机组启动时启动电流很大,为减少启动电压降,启动蓄电池应设置在机组的启动电动机附近。因机组不经常工作,为了补充蓄电池自放电,应设置充电装置。
6.1.9
本条规定了发电机组的中性点工作制要求。第1款1kV及以下发电机组通常采用三相四线制,中性点直接接地,它的优点是降低了系统的内部过电压倍数,当一相接地时,相间电压为中性点所固定,基本不会升高。机组的接地形式通常与低压配电系统的接地形式是一致的。
当有多台发电机组并列运行时,每台机组的中性导体要经刀开关或接触器直接接地。当各台机组的中性导体之间存在环流时,应只将其中一台发电机的中性点接地。
发电机中性导体上的接地刀开关及接触器的容量,可根据发电机允许的不对称负荷电流及中性导体上可能出现的零序电流选择。
第2款
3kV~10kV发电机组的接地方式通常采用中性点经小电阻接地或不接地方式。
6.1.10
柴油发电机容量大小不同,小时耗油量也有差异。若在主建筑外设储油库,其防火间距应遵照现行国家标准《建筑设计防火规范》GB50016中有关规定执行。
中小容量柴油机组出厂时,一般配有日用燃油箱。当机组设在大型民用建筑室内时,根据应急柴油发电机特殊要求,应储备一定数量燃油供应急时使用,但又要考虑建筑防火要求。综合各种因素,通常最大储油量不应超过8h的需要量,且日用油箱储油容积不应大于1m³,并应按防火要求处理。当日用油箱储油容积在1m³~2m³之间时,也可分别设置2个容积分别不大于1m³的日用油箱储油间,2个储油间中间加防火隔墙,并应按防火要求处理。
6.1.11
自备柴油发电组机房设计中,特别注意新风量及排烟量的合理配合,以及对环境噪声的影响。
第8款
机房内如果未考虑足够的新风及合理的排烟道位置,机组散热器排出的热风会在机房内循环,导致机房温度严重升高,影响机组的正常运行,这种情况应该避免。
第9款
柴油发电机运行时,机房的换气量应等于或大于维持柴油机燃烧所用新风量与维持机房温度所需新风量之和。据国外有关资料介绍,维持机房温度所需新风量可按下式确定:

维持柴油机燃烧所需新风量可向柴油机厂家索取,当海拔增加时,每增加763m,空气量应增加10%。若无资料,可按1kW制动功率需要0.1m³/min估算。
规定的环境噪声标准,引自现行国家标准《声环境质量标准》GB3096的规定。
6.1.12
柴油发电机组的金属外壳、支架等均应接地,且宜采用共用接地方式。
6.1.14
本条规定了柴油发电机房设计时,应对供暖通风专业提出要求。
柴油发电机组运行时,其余热向四周扩散,为了不致引起室温过高,机房内应有良好通风装置。机房里的换气量应等于或大于柴油机燃烧所用新风量与维持机房室温所需新风量之和。减少暖机功率,对平时利用率较低的应急机组,是不可忽视的。因为应急机组时刻都处在“戒备”状态,而暖机也时刻在运行,其运行费用甚高。