民用建筑电气设计标准
编号:GB51348-2019
颁布时间:2019/11/22
是否常用:是
是否有效:现行有效
分类:建筑防火
12.4
低压配电系统的接地形式和基本要求
、TN-S 与 TN一C-S三种形式。
12.4.2 低压配电系统的接地形式应根据系统电气安全防护的具体要求确定。
12.4.3
当保护接地和功能接地共用接地导体时,应首先满足保护接地导体的相关要求。
12.4.4 电气装置的外露可导电部分不得用作保护接地导体(PE)的串联过渡接点。
12.4.5 保护接地导体(PE)应符合下列规定:
1 保护接地导体(PE)对机械损伤、化学或电化学损伤、电动力和热效应等应具有适当的防护;
2 不得在保护接地导体(PE)回路中装设保护电器和开关器件,但允许设置只有用工具才能断开的连接点;
3
当采用电气监测仪器进行接地检测时,不应将工作的传感器、线圈、电流互感器等专用部件串接在保护接地导体中;
4
当铜导体与铝导体相连接时,应采用铜铝专用连接器件 。
12.4.6 保护接地导体(PE)的截面积应满足发生短路后自动切断电源的条件,且能承受保护电器切断时间内预期故障电流引起的机械应力和热效应。
12.4.7
单独敷设的保护接地导体(PE)最小截面积应符合本标准第 7.4.5 条的规定。
12.4.8 保护接地导体(PE)可由下列一种或多种导体组成:
1 多芯电缆中的导体;
2
与带电导体共用外护物绝缘的或裸露的导体;
3 固定安装的裸露的或绝缘的导体;
4
满足动、热稳定电气连续性的金属电缆护套和同心导体电力电缆。
12.4.9 下列金属部分不应作为保护接地导体(PE):
1
金属水管;
2 含有气体、液体、粉末等物质的金属管道;
3 柔性或可弯曲的金属导管;
4 柔性的金属部件;
5 支撑线、电缆桥架、金属保护导管。
12.4.10
采用TN-C-S系统时,当PEN导体从某点分开后不应再合并或相互接触,且中性导体不应再接地。
12.4.11
TN接地系统接地应符合下列要求:
1 在TN接地系统中,PEN或PE导体对地应有效可靠连接。
2
当配电回路中过电流保护电器不能满足本标准第7章的要求时,则应采用辅助等电位联结措施,也可增设剩余电流动作保护装置
(RCD),或结合以上两种故障防护措施来满足要求。
3 单体建筑和群体建筑低压配电系统的接地形式不应采用TN-C系统。
4
TN-C-S 接地系统中的 PEN导体应满足以下要求:
1
)除成套开关设备和控制设备内部的PEN导体外,PEN导体必须按可遭受的最高电压设置绝缘;
2
)电气装置外露可导电部分,包括配线用的钢导管及金属槽盒在内的外露可导电部分以及外界可导电部分,不得用来替代PEN导体;
3)
TN-C-S系统中的PEN 导体从某点起分为中性导体和保护接地导体后,保护接地导体和中性导体应各自设有母线或端子 。
5 TN
接地系统中的PEN导体,应在建筑物的人口处进行总等电位联结并重复接地。
6 TN 接地系统中,变电所内配电变压器低压侧中性点,可采用直接接地方式
。
7 TN 接地系统中,低压柴油发电机中性点接地方式,应与变电所内配电变压器低压侧中性点接地方式一致,并应满足以下要求:
1)当变电所内变压器低压侧中性点,在变压器中性点处接地时,低压柴油发电机中性点也应在其中性点处接地;
2)当变电所内变压器低压侧中性点,在低压配电柜处接地时,低压柴油发电机中性点不能在其中性点处接地,应在低压配电柜处接地 。
12. 4.12
TT接地系统的接地应符合下列要求:
1 TT
接地系统中所装设的用于故障防护的保护电器的特性和电气装置外露可导电部分与大地间的电阻值应满足本标准第7 章的要求 。
2 TT
接地系统应采用剩余电流动作保护装置 (RCD)作为故障防护,当在电气装置的外露可导电部分与大地间的电阻值非常小时,可以过电流保护电器兼作故障防护。
3 TT 接地系统的电气设备外露可导电部分所连接的接地装置不应与变压器中性点的接地装置相连接,其保护接地导体的最大截面积为:铜导体25mm²
,铝导体35mm²。
12.4.13 IT接地系统中包括中性导体在内的任何带电部分严禁直接接地。
IT系统中的电源系统对地应保持良好的绝缘状态。IT系统可在外露可导电部分单独或集中接地。
12.4.14 下列部分严禁接地:
1 采用设置非导电场所保护方式的电气设备外露可导电部分;
2 采用不接地的等电位联结保护方式的电气设备外露可导电部分;
3
采用电气分隔保护方式的单台电气设备外露可导电部分;
4
在采用双重绝缘及加强绝缘保护方式中的绝缘外护物里面的外露可导电部分。
12.4.15 电气装置的外露可导电部分应按本标准第
12.4.11条~第12.4.13 条规定的各种系统接地形式的具体条件,与保护接地导体连接。
条文说明
12.4.1 低压配电系统三种接地形式引自《低压电气装置
第1部分:基本原则、一般特性评估和定义》GB/T 16895.1-2008。
低压配电系统的接地形式以拉丁字母作代号,其含义为:
第1个字母表示电源系统与地的关系,表示如下:
T——某点对地直接连接;
I——所有的带电部分与地隔离;或某点经阻抗接地。
第2个字母表示电气装置的外露可导电部分对地的关系,表示如下:
T——电气装置的外露可导电部分与地直接做电气连接,它与系统电源的任何一点的接地无任何连接;
N——电气装置的外露可导电部分与电源系统的接地点直接做电气连接(在交流系统中,电源系统的接地点通常是中性点,或者如果没有可连接中性点,则与一个相导体连接)。后续的字母—N与PE的配置,表示如下:
S——将与N或被接地的导体(在交流系统中是被接地的相导体)分离的导体作为PE;
N和PE功能合并在一根导体中
(PEN)。
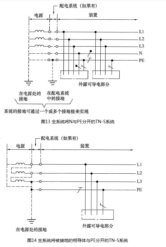
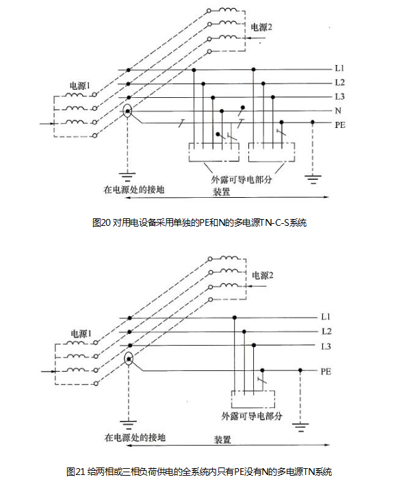
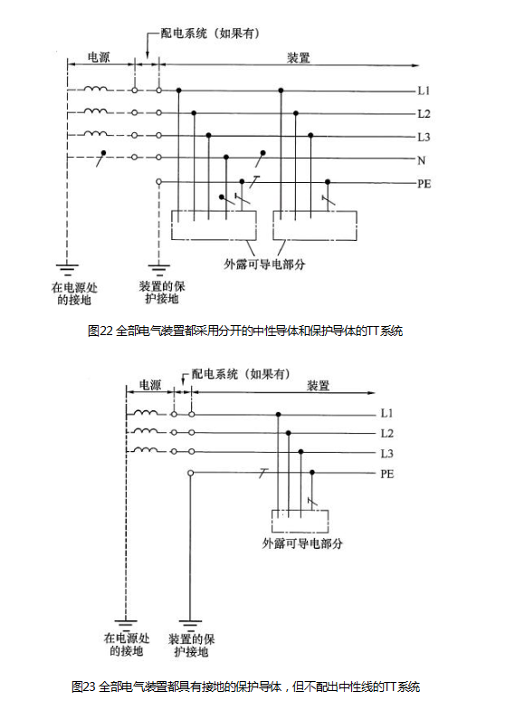
1 TN系统可分为单电源系统和多电源系统。
对于单电源系统,TN电源系统在电源处应有一点直接接地,电气装置的外露可导电部分应经PE接到接地点。TN系统可按N和PE配置分为下列三种类型:
1)
TN-S系统,整个系统应全部采用单独的PE,电气装置的PE也可另外增设接地(图13~图15)。


2)TN-C-S系统,系统中的一部分,N的功能和PE的功能合并在一根导体中(图16~图18)。图16中电气装置的PEN或PE导体可另外增设接地。图17和图18中对配电系统的PEN和装置的PE也可另外增设接地。


3)TN-C系统,在全系统中,N的功能和PE的功能合并在一根导体中(图19)。电气装置的PEN也可另外增设接地。

对用电设备采用单独的PE和N的多电源TN-C-S系统(图20),仅有两相负荷和三相负荷情况下,无须配出N和PE宜多处接地。具有多电源的TN系统(图21),应避免工作电流流过不期望的路径。
2
TT系统应只有一点直接接地,电气装置的外露可导电部分应接到电气上独立于电源系统接地的接地极上(图22和图23),对电气装置的PE可另外增设接地。
3
IT电源系统的所有带电部分应与地隔离,或某一点通过阻抗接地(图24和图25)。对电气装置的PE可另外增设接地,并应符合下列要求:
1)该系统可经足够高阻抗接地;
2)可以配出N,也可不配出N



12.4.2
采用自动切断供电是一项故障防护措施,系统的接地形式为其提供了必要的条件,为保证自动切断供电措施的可靠和有效,应满足以下要求:
1
当电气装置中发生了带电部分与外露可导电部分(或保护导体)之间的故障时,保护电器应在规定时间内切断电源,避免电流通过人体产生危险的生理效应。
2
电气装置中的外露可导电部分,均应与保护接地导体或保护接地中性导体相连接,以保证故障回路的形成。
3
凡可被人体同时触及的外露可导电部分,应连接到同一接地系统。
12.4.3 本条引自《低压电气装置 第5-54部分:电气设备的选择和安装
接地配置、保护导体和保护联结导体》IEC 60364-5-54。
12.4.4 本条引自《系统接地的型式及安全技术要求》GB14050和《低压电气装置
第5-54部分:电气设备的选择和安装 接地配置、保护导体和保护联结导体》IEC 60364-5-54。
如接地线串联使用,则当其中一处接地线断开时,其后面串接的设备将失去接地,为避免直接危及人的生命安全,电气装置的外露可导电部分不得用作保护接地导体
(PE)的串联过渡接点。
12.4.5 本条引自《低压电气装置 第5-54部分:电气设备的选择和安装
接地配置、保护导体和保护联结导体》IEC 60364-5-54。
第1款
保护接地导体之间或保护接地导体与其他设备之间的每处连接(例如螺栓连接、夹板连接器),应具有持久的电气连续性和足够的机械强度及保护。连接保护接地导体的螺栓不应用作任何其他目的。连接不应采用锡焊。所有的电气连接应有耐受在导体或有最大截面积的电缆/外护物中可出现任何电流/时间组合的符合要求的耐热能力和机械强度。
12.4.6 保护接地导体(PE)的截面积确定:
1 关于自动切断电源所要求的条件见《低压电气装置 第4-41部分:安全防护
电击防护》GB/T
16895.21-2011中的第411.3.2条。保护接地导体的截面积可按公式(9)计算,也可按表18进行选择。这两种方法都应考虑本标准第12.4.7条的规定。保护接地导体的端子大小,应能容纳按本条所规定截面积的导体。TT系统详见本标准第12.4.12条3款规定。

注:1 k1是线导体的k值,它是由公式 (10)导出或由 (低压电气装置 第4部分:安全防护 第43章:过电流保护》IEC
60364-4-43中的表按导体和绝缘的材料选择的;
2 k2是保护接地导体的k值,是按表 19~表23中适用的有关参数选择的;
3
对于PEN导体,其截面积仅在符合中性导体截面积确定原则((见低压电气装置第5部分:电气设备的选择和安装 第52章:布线系统)IEC
60364-5-52)的前提下,才允许减小。



2
保护接地导体的截面积的确定,仅对切断时间不超过5时,可由下列公式确定:

若用公式求得的规格是非标准的,至少应采用最接近的较大标准截面积的导体。
3 系数k值由下式确定:

4
两个或更多个回路共用一根保护接地导体时,其截面积应为在这些回路中遭受最严重的预期故障电流和动作时间,其截面积按公式(9)计算或表18中对应于所用诸回路中的最大线导体截面积来选择。
12.4.8 本条引自《低压电气装置 第5-54部分 电气设备的选择和安装
接地配置和保护导体》GB/T 16895.3-2017第543.2.3条,第4款,指符合GB/T16895.3中第
543.2.2条的a)和b)规定。根据民用建筑工程的特点,作此规定,即能利用结构或适当的连接,使对机械、化学或电化学损伤的防护性能得到保证,从而保证它们的电气连续性,并且保护接地导体的截面积应满足要求。同心导体电力电缆就是将中性导体或保护性导体用同心绞合的方式缠绕在成缆芯外面,形成同轴结构。
12.4.9 本条引自《低压电气装置 第5-54部分:电气设备的选择和安装
接地配置和保护导体》GB/T 16895.3-2017。
12.4.10
本条为强制性条文。TN-CS系统中,保护导体与中性导体分开后又合并,出现接地环路,一些工作电流通过不期望的接地路径流通,可能引起火灾、腐蚀和电磁干扰等危害;此外,这种接线会造成剩余电流保护器误动作。
【技术要点】TN-C-S系统自电源到另一建筑物用户电气装置之间,保护导体和中性导体共用,节省一根专用PE线,这段PEN线上的电压降使整个电气装置对地升高电压,但由于电源进线点后在保护导体与中性导体分开,且设置总等电位联结,使PE线并不产生电压降,当发生接地故障人体遭受电击时,其接触电压与TN-S系统一样,因此TN-C-S系统在保护导体与中性导体分开后就不应再合并,中性导体不应再接地了。否则造成前段的N、PE并联,PE导体可能会有大电流通过,提高PE导体的对地电位,危及人身安全;此外这种接线会造成剩余电流保护器误动作。
【实施与检查】
实施:在设计中,TN-C-S系统在保护导体与中性导体分开后就不应再合并。
检查:审核人员应检查
TN-C-S系统在保护导体与中性导体分开后是否存在合并情况。当有
TN-C-S系统在保护导体与中性导体分开后有再合并或相互接触或中性导体出现再接地时,应督促设计人员修改。
12.4.11 本条引自《低压电气装置第4-41部分:安全防护电击防护》GB/T
16895.21-2011和《系统接地的型式及安全技术要求》GB 14050-2008。
第1款
PEN线应多点接地,并应尽量减少PEN线中断的危险;

第4款
因为PEN导体可能有大电流通过,用外界可导电部分作为中性导体是不适宜的,故提出了外界可导电部分严禁用作PEN导体,而且
PEN导体的绝缘水平应与相导体相同。
第6款 1 当变电所只有一台变压器时:
1)与其他变电所无低压联结时,变压器0.4kV侧中性点可在变压器中性点处一点接地,也可以在低压配电柜处通过与保护接地线(PE)
连接后一点接地。但此两种接地方式只能够采用其中一种。主断路器可以选用3极断路器。
2)与其他变电所有低压联结时,本变电所以及与其联结的变电所变压器0.4kV侧中性点接地只能够在变压器中性点处一点接地,所有主断路器与联结断路器均需要选用4极断路器。
2 当变电所有两台及以上变压器时:
1)当变压器0.4kV侧中性点在各自变压器的中性点处接地时,所有主断路器与母线联结断路器,均应选用4极断路器;当与其他变电所有低压联结时,其他变电所也应采用在各自变压器的中性点处接地,所有主断路器与母线联结断路器,也均应选用4极断路器,每台变压器0.4kV侧中性线(N)
利用绝缘导线引出后不允许再接地。
2)当变压器0.4kV侧中性点在低压配电柜处接地时,不允许在中性点处再接地,每台变压器0.4kV侧中性点利用绝缘导线,将各自的变压器中性线(PEN)接到各自的低压配电柜电源中性线(N)母排上,所有低压配电柜电源中性线(N)母排连接在一起后,只能够与保护接地线
(PE)一处连接后,通过保护接地线(PD)
再接地,所有主断路器与母线联结断路器,均可选用3极断路器,此种接地方式不能够用于与其他变电所有低压联结的变电所。
12.4.12
本条引自《系统接地的型式及安全技术要求》GB14050-2008。
第1款
系统中所装设的用于故障防护的保护电器的特性和电气装置外露可导电部分与大地间的电阻值应满足公式(12)要求:

当该保护电器为剩余电流保护装置时,公式(12)中的Ia为额定剩余电流动作电流I△n;当保护电器为过电流保护电器时,Ia为下述两者之一:
1) 对具有反时限特性的保护电器,为保证电器在5s内自动动作的电流;
2) 对具有瞬时跳闸特性的保护电器,为保证瞬时跳闸的最小电流。
第3款 引自《低压电气装置 第5-54部分:电气设备的选择和安装
接地配置和保护导体》GB/T 16895.3-2017。
12.4.13
IT系统是采用隔离变压器与供电系统的接地系统完全分开,所以其系统中的任何带电部分(包括中性导体)严禁直接接地。单点对地的第一次故障,故障电流没有直接返回电源的通路,故障电流很小,可不切断电源,但应对IT
系统中的电源系统对地的绝缘状态进行监视,对发生一次接地故障状态进行报警。IT电力系统的带电部分与大地不直接连接,而电气装置的外露可导电部分则是接地的。
12.4.14
本条为强制性条文。为了保障电气系统、电气设备安全运行和人身安全,规定了第1款~第4款所述场所严禁接地。本条为强制性条文。
第1款 采用设置非导电场所保护方式的电气设备外露可导电部分,如高压实验室;第2款
采用不接地的等电位联结保护方式的电气设备外露可导电部分,如采用分隔方式供电,人身可以触及的交流220V室外照明灯;
第3款
采用电气分隔保护方式的单台电气设备外露可导电部分,例如:不允许进人的喷水池内安装的交流220V水下照明灯具的金属外壳;第4款
在采用双重绝缘及加强绝缘保护方式中的绝缘外护物里面的外露可导电部分,如电视机、电风扇等,由于采取不同的非接地保护方式,如果外露可导部分人为接地,一旦发生故障将造成电气设备损坏和人身伤害,故本条中规定的电气设备的外露可导电部分严禁接地。
【技术要点】
由于采取不同的保护方式,为了对电气设备的接地实施有效保护,本条中规定的电气设备的外露可导电部分严禁保护接地。
【实施与检查】
实施:在设计中,对设置在非导电场所保护方式的电气设备外露可导电部分、不接地的等电位联结保护方式的电气设备外露可导电部分、电气分隔保护方式的单台电气设备外露可导电部分、采用双重绝缘及加强绝缘保护方式中的绝缘外护物里面的外露可导电部分不应接地。
检查:审核人员应检查设置在非导电场所保护方式的电气设备外露可导电部分、不接地的等电位联结保护方式的电气设备外露可导电部分、电气分隔保护方式的单台电气设备外露可导电部分、采用双重绝缘及加强绝缘保护方式中的绝缘外护物里面的外露可导电部分是否进行接地。当不满足要求时,应督促设计人员修改。
12.4.15 本条引自《低压电气装置 第4-41部分:安全防护电击防护GB/T
16895.21-2011。