民用建筑电气设计标准
编号:GB51348-2019
颁布时间:2019/11/22
是否常用:是
是否有效:现行有效
分类:建筑防火
11.10
防雷装置的材料要求
11.10.1
防雷装置使用的材料及其应用条件宜符合表11.10.1的规定。

注:1 敷设于黏土或潮湿土壤中的镀锌钢可能受到腐蚀;
2
在沿海地区,敷设于混凝土中的镀锌钢不应延伸进人土壤中;
3 含铅防雷材料不得埋设在土壤中。
11.10.2
做防雷等电位联结各连接部件的最小截面积,应符合表11.10.2的规定。连接单台或多台Ⅰ级分类试验或D1类电涌保护器的单根导体的最小截面积,还应按下式计算:

式中:Smin——单根铜导体的最小截面积(m㎡);
Iimp——流入该导体的雷电流(kA)。

11.10.3
接闪带、接闪杆和引下线的材料、结构和最小截面积应符合表11.10.3的规定。

注;① 热浸或电镀锡的锡层最小厚度为1µm;
② 镀锌层宜光滑连贯、无焊剂斑点,镀锌层圆钢至少为22.7g/㎡、扁钢至少为32.4g/㎡;
③ 仅应用于接闪杆。当应用于机械应力没达到临界值之处,可采用直径为10mm、最长为1m的接闪杆,并增加固定;
④ 仅应用于入地之处;
⑤ 不锈钢中,铬的含量大于或等于16%,镍的含量大于或等于8%,碳的含量小于或等于0.08%;
⑥ 对埋于混凝土中以及与可燃材料直接接触的不锈钢,其最小尺寸宜增大至直径为10mm的78m㎡(单根圆钢)和最小厚度为3mm的75m㎡(单根扁钢);
⑦ 在机械强度没有特别要求之处,50m㎡(直径8mm)可减为28m㎡(直径6mm),并应减小固定支架间的间距;
⑧ 当温升和机械受力是重点考虑之处,50m㎡加大至75m㎡;
⑨ 避免在单位能量为10MJ/Ω下熔化的最小截面积是铜为16m㎡,铝为25m㎡,钢为50m㎡、不锈钢为50m㎡;
⑩ 截面积允许误差为-3%。
11.10.4
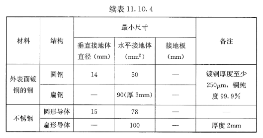
接地体的材料、结构和最小截面积应符合表11.10.4的规定。


注:1
热镀锌层应光滑连贯、无焊剂斑点,圆钢镀锌层至少为22.7g/㎡,扁钢镀锌层至少为32.4g/㎡;
2 热镀锌之前螺纹应先加工好;
3
不同截面积的型钢,其截面积不小于290m㎡,最小厚度3mm,可采用50mm×50mm×3mm角钢;
4 当完全埋在混凝土中时才可采用裸钢;
5 外表面镀铜的钢,铜应与钢结合良好;
6
不锈钢中,铬的含量大于或等于16%,镍的含量大于或等于5%,钼的含量大于或等于2%,碳的含量小于或等于0.08%;
7 截面积允许误差为-3%。
11.10.5
利用建筑物构件内钢筋作为防雷装置时,构件内有箍筋连接的钢筋或成网状的钢筋,其箍筋与钢筋、钢筋与钢筋应采用土建施工的绑扎法、螺栓、对焊或搭焊连接。单根钢筋、圆钢或外引预埋连接板、线与构件内钢筋的连接应焊接或采用螺栓紧固的卡夹器连接。构件之间必须连接成电气通路。
条文说明
11.10.2
公式(11.10.2)是引用《雷电防护-第5部分:公共设施》IEC62305-5:2005中的公式。